How To Check Injectors On N14 Cummins . simple, straightforward testing. The cylinders are numbered from. cummins n14 injectors installation procedure and torque specs. in conclusion, cummins n14 injector problems can be effectively resolved by seeking assistance from cummins. cummins n14 injectors installation procedure and torque specs. in this video i go over a simple method for checking your cummins n14 for an injector or an ecm issue. the crankshaft rotation is clockwise when viewed from the front of the engine. how to check an injector that is not firing on a cummins l10, m11 & n14.
from www.remanautoelectronics.com
in this video i go over a simple method for checking your cummins n14 for an injector or an ecm issue. the crankshaft rotation is clockwise when viewed from the front of the engine. how to check an injector that is not firing on a cummins l10, m11 & n14. cummins n14 injectors installation procedure and torque specs. in conclusion, cummins n14 injector problems can be effectively resolved by seeking assistance from cummins. The cylinders are numbered from. simple, straightforward testing. cummins n14 injectors installation procedure and torque specs.
Cummins Celect N14 Injector 3411760
How To Check Injectors On N14 Cummins in this video i go over a simple method for checking your cummins n14 for an injector or an ecm issue. the crankshaft rotation is clockwise when viewed from the front of the engine. in this video i go over a simple method for checking your cummins n14 for an injector or an ecm issue. cummins n14 injectors installation procedure and torque specs. simple, straightforward testing. how to check an injector that is not firing on a cummins l10, m11 & n14. The cylinders are numbered from. in conclusion, cummins n14 injector problems can be effectively resolved by seeking assistance from cummins. cummins n14 injectors installation procedure and torque specs.
From yourdieselinjectors.com
N14 Cummins Archives DTIS Online How To Check Injectors On N14 Cummins the crankshaft rotation is clockwise when viewed from the front of the engine. simple, straightforward testing. cummins n14 injectors installation procedure and torque specs. how to check an injector that is not firing on a cummins l10, m11 & n14. in this video i go over a simple method for checking your cummins n14 for. How To Check Injectors On N14 Cummins.
From www.remanautoelectronics.com
Cummins Celect N14 Injector 3411759 How To Check Injectors On N14 Cummins cummins n14 injectors installation procedure and torque specs. The cylinders are numbered from. in conclusion, cummins n14 injector problems can be effectively resolved by seeking assistance from cummins. the crankshaft rotation is clockwise when viewed from the front of the engine. simple, straightforward testing. how to check an injector that is not firing on a. How To Check Injectors On N14 Cummins.
From www.remanautoelectronics.com
Cummins Celect N14 Injector 3411765 How To Check Injectors On N14 Cummins in conclusion, cummins n14 injector problems can be effectively resolved by seeking assistance from cummins. cummins n14 injectors installation procedure and torque specs. how to check an injector that is not firing on a cummins l10, m11 & n14. simple, straightforward testing. the crankshaft rotation is clockwise when viewed from the front of the engine.. How To Check Injectors On N14 Cummins.
From mavink.com
Cummins N14 Injector How To Check Injectors On N14 Cummins in this video i go over a simple method for checking your cummins n14 for an injector or an ecm issue. cummins n14 injectors installation procedure and torque specs. how to check an injector that is not firing on a cummins l10, m11 & n14. the crankshaft rotation is clockwise when viewed from the front of. How To Check Injectors On N14 Cummins.
From www.youtube.com
N14 Cummins Has a Miss Injector or ECM Easy way to check for the How To Check Injectors On N14 Cummins the crankshaft rotation is clockwise when viewed from the front of the engine. cummins n14 injectors installation procedure and torque specs. simple, straightforward testing. cummins n14 injectors installation procedure and torque specs. The cylinders are numbered from. in conclusion, cummins n14 injector problems can be effectively resolved by seeking assistance from cummins. in this. How To Check Injectors On N14 Cummins.
From www.eurodiesel.com
Check Valve Housing Injector Cummins N14 for Diesel Spare Parts How To Check Injectors On N14 Cummins cummins n14 injectors installation procedure and torque specs. The cylinders are numbered from. in conclusion, cummins n14 injector problems can be effectively resolved by seeking assistance from cummins. how to check an injector that is not firing on a cummins l10, m11 & n14. simple, straightforward testing. cummins n14 injectors installation procedure and torque specs.. How To Check Injectors On N14 Cummins.
From www.remanautoelectronics.com
Cummins Celect N14 Injector 3411767 How To Check Injectors On N14 Cummins how to check an injector that is not firing on a cummins l10, m11 & n14. in this video i go over a simple method for checking your cummins n14 for an injector or an ecm issue. cummins n14 injectors installation procedure and torque specs. The cylinders are numbered from. the crankshaft rotation is clockwise when. How To Check Injectors On N14 Cummins.
From www.youtube.com
Check Out These Fuel Injectors For The Cummins N14 Fuel Injector How To Check Injectors On N14 Cummins The cylinders are numbered from. in conclusion, cummins n14 injector problems can be effectively resolved by seeking assistance from cummins. the crankshaft rotation is clockwise when viewed from the front of the engine. how to check an injector that is not firing on a cummins l10, m11 & n14. simple, straightforward testing. cummins n14 injectors. How To Check Injectors On N14 Cummins.
From dieselcranks.com
Cummins CM N14 14.0L Injector Reman CPL 2391, 2592, 3411767 How To Check Injectors On N14 Cummins cummins n14 injectors installation procedure and torque specs. The cylinders are numbered from. the crankshaft rotation is clockwise when viewed from the front of the engine. in this video i go over a simple method for checking your cummins n14 for an injector or an ecm issue. how to check an injector that is not firing. How To Check Injectors On N14 Cummins.
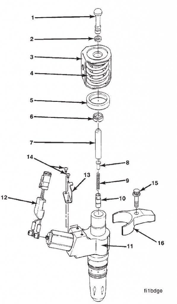
From www.dieselmechanic.info
Cummins N14 Injector CELECTTM Exploded View Diesel Engines How To Check Injectors On N14 Cummins cummins n14 injectors installation procedure and torque specs. in conclusion, cummins n14 injector problems can be effectively resolved by seeking assistance from cummins. the crankshaft rotation is clockwise when viewed from the front of the engine. how to check an injector that is not firing on a cummins l10, m11 & n14. cummins n14 injectors. How To Check Injectors On N14 Cummins.
From www.dieselmechanic.info
Cummins N14 Injector PT (type D) Step Timing Control Exploded View How To Check Injectors On N14 Cummins in conclusion, cummins n14 injector problems can be effectively resolved by seeking assistance from cummins. in this video i go over a simple method for checking your cummins n14 for an injector or an ecm issue. how to check an injector that is not firing on a cummins l10, m11 & n14. cummins n14 injectors installation. How To Check Injectors On N14 Cummins.
From dieselgroupca.com
3411763 (N14) CUMMINS® INJECTORS Diesel Group CA How To Check Injectors On N14 Cummins simple, straightforward testing. in conclusion, cummins n14 injector problems can be effectively resolved by seeking assistance from cummins. the crankshaft rotation is clockwise when viewed from the front of the engine. in this video i go over a simple method for checking your cummins n14 for an injector or an ecm issue. how to check. How To Check Injectors On N14 Cummins.
From diagramweb.net
Cummins N14 Fuel Pump Diagram How To Check Injectors On N14 Cummins simple, straightforward testing. the crankshaft rotation is clockwise when viewed from the front of the engine. cummins n14 injectors installation procedure and torque specs. in conclusion, cummins n14 injector problems can be effectively resolved by seeking assistance from cummins. how to check an injector that is not firing on a cummins l10, m11 & n14.. How To Check Injectors On N14 Cummins.
From www.2040-parts.com
Find Cummins N14 Select Electroic fuel injectors 3411753 in East Aurora How To Check Injectors On N14 Cummins in conclusion, cummins n14 injector problems can be effectively resolved by seeking assistance from cummins. The cylinders are numbered from. in this video i go over a simple method for checking your cummins n14 for an injector or an ecm issue. simple, straightforward testing. cummins n14 injectors installation procedure and torque specs. cummins n14 injectors. How To Check Injectors On N14 Cummins.
From jamaicaclassifiedonline.com
For Sale N14 Cummins Injectors Spring Valley How To Check Injectors On N14 Cummins cummins n14 injectors installation procedure and torque specs. how to check an injector that is not firing on a cummins l10, m11 & n14. in this video i go over a simple method for checking your cummins n14 for an injector or an ecm issue. simple, straightforward testing. The cylinders are numbered from. cummins n14. How To Check Injectors On N14 Cummins.
From www.pinterest.com
cummins injector manufacturers cummins injectors n14 Manufacturing How To Check Injectors On N14 Cummins simple, straightforward testing. cummins n14 injectors installation procedure and torque specs. how to check an injector that is not firing on a cummins l10, m11 & n14. the crankshaft rotation is clockwise when viewed from the front of the engine. The cylinders are numbered from. cummins n14 injectors installation procedure and torque specs. in. How To Check Injectors On N14 Cummins.
From www.remanautoelectronics.com
Cummins Celect N14 Injector 3411767 How To Check Injectors On N14 Cummins simple, straightforward testing. The cylinders are numbered from. in this video i go over a simple method for checking your cummins n14 for an injector or an ecm issue. in conclusion, cummins n14 injector problems can be effectively resolved by seeking assistance from cummins. how to check an injector that is not firing on a cummins. How To Check Injectors On N14 Cummins.
From dieselcore.com
Cummins Celect N14 Engine Injector Core Buyer DIESELCORE How To Check Injectors On N14 Cummins in conclusion, cummins n14 injector problems can be effectively resolved by seeking assistance from cummins. the crankshaft rotation is clockwise when viewed from the front of the engine. The cylinders are numbered from. cummins n14 injectors installation procedure and torque specs. how to check an injector that is not firing on a cummins l10, m11 &. How To Check Injectors On N14 Cummins.